Circuit Board J1 . Although the pro micro is one of the most popular development boards, with the plethora of documentation and. What does j1, j2 and j3 represent on a. see if the trace on the front or back side that comes off one of the ends of that j1 goes to the bigger ic's on the board. It has expansion capabilities which is the reason. printed circuit boards (pcbs) have become a fundamental staple at the heart of most electronic systems. bridging j1 on a pro micro. In this new series, robert examines the. interface circuit board the interface circuit board is relatively easy to construct. If you can see the trace leads back in to one. J1, j2 and j3 are reference designators for connectors (or in some cases specifically pin headers). on a printed circuit board, i see lots of tiny letters and numbers. Is there some kind of standard that dictates what letter.
from www.yoycart.com
Although the pro micro is one of the most popular development boards, with the plethora of documentation and. What does j1, j2 and j3 represent on a. bridging j1 on a pro micro. J1, j2 and j3 are reference designators for connectors (or in some cases specifically pin headers). interface circuit board the interface circuit board is relatively easy to construct. In this new series, robert examines the. see if the trace on the front or back side that comes off one of the ends of that j1 goes to the bigger ic's on the board. printed circuit boards (pcbs) have become a fundamental staple at the heart of most electronic systems. If you can see the trace leads back in to one. Is there some kind of standard that dictates what letter.
Gli Air conditioning KF35G (3538) J1JN4 Computer board circuit board
Circuit Board J1 It has expansion capabilities which is the reason. What does j1, j2 and j3 represent on a. If you can see the trace leads back in to one. printed circuit boards (pcbs) have become a fundamental staple at the heart of most electronic systems. It has expansion capabilities which is the reason. Although the pro micro is one of the most popular development boards, with the plethora of documentation and. bridging j1 on a pro micro. on a printed circuit board, i see lots of tiny letters and numbers. In this new series, robert examines the. Is there some kind of standard that dictates what letter. see if the trace on the front or back side that comes off one of the ends of that j1 goes to the bigger ic's on the board. interface circuit board the interface circuit board is relatively easy to construct. J1, j2 and j3 are reference designators for connectors (or in some cases specifically pin headers).
From www.aliexpress.com
BESTBSTJ1BatteryActivationboardforiPhone5813promaxSamsung Circuit Board J1 J1, j2 and j3 are reference designators for connectors (or in some cases specifically pin headers). interface circuit board the interface circuit board is relatively easy to construct. It has expansion capabilities which is the reason. Although the pro micro is one of the most popular development boards, with the plethora of documentation and. What does j1, j2 and. Circuit Board J1.
From oshwlab.com
STM32F103 Minimum System Board copy OSHWLab Circuit Board J1 Although the pro micro is one of the most popular development boards, with the plethora of documentation and. If you can see the trace leads back in to one. J1, j2 and j3 are reference designators for connectors (or in some cases specifically pin headers). printed circuit boards (pcbs) have become a fundamental staple at the heart of most. Circuit Board J1.
From www.petervis.com
Aiwa CSJ1 Circuit Board Circuit Board J1 J1, j2 and j3 are reference designators for connectors (or in some cases specifically pin headers). It has expansion capabilities which is the reason. see if the trace on the front or back side that comes off one of the ends of that j1 goes to the bigger ic's on the board. printed circuit boards (pcbs) have become. Circuit Board J1.
From remont-aud.net
Прошивка AVEL AVS220K Шасси (Main Board) J1 V1.0 Circuit Board J1 on a printed circuit board, i see lots of tiny letters and numbers. printed circuit boards (pcbs) have become a fundamental staple at the heart of most electronic systems. What does j1, j2 and j3 represent on a. interface circuit board the interface circuit board is relatively easy to construct. bridging j1 on a pro micro.. Circuit Board J1.
From www.youtube.com
Galaxy J1 ace... circuit board..details..,😮😮😮 YouTube Circuit Board J1 interface circuit board the interface circuit board is relatively easy to construct. on a printed circuit board, i see lots of tiny letters and numbers. What does j1, j2 and j3 represent on a. Although the pro micro is one of the most popular development boards, with the plethora of documentation and. see if the trace on. Circuit Board J1.
From www.researchgate.net
[Circuit 2] Circuit to compute j1 and j2. (All connectors are 8line Circuit Board J1 printed circuit boards (pcbs) have become a fundamental staple at the heart of most electronic systems. interface circuit board the interface circuit board is relatively easy to construct. What does j1, j2 and j3 represent on a. Is there some kind of standard that dictates what letter. see if the trace on the front or back side. Circuit Board J1.
From www.weavingmachineryparts.com
Toyota Jat810 Main Board J1 J9201200210d Buy Toyota Jat810 Board Circuit Board J1 It has expansion capabilities which is the reason. see if the trace on the front or back side that comes off one of the ends of that j1 goes to the bigger ic's on the board. What does j1, j2 and j3 represent on a. Is there some kind of standard that dictates what letter. bridging j1 on. Circuit Board J1.
From www.shopkoreaonline.com
TDK TAS300 E4/J1 PCB Board TASSW REV.6.10 Circuit Board J1 interface circuit board the interface circuit board is relatively easy to construct. If you can see the trace leads back in to one. In this new series, robert examines the. J1, j2 and j3 are reference designators for connectors (or in some cases specifically pin headers). see if the trace on the front or back side that comes. Circuit Board J1.
From www.reddit.com
Peterson strobostomp help Anyone have any shots of the circuit board Circuit Board J1 J1, j2 and j3 are reference designators for connectors (or in some cases specifically pin headers). Is there some kind of standard that dictates what letter. In this new series, robert examines the. It has expansion capabilities which is the reason. see if the trace on the front or back side that comes off one of the ends of. Circuit Board J1.
From www.scribd.com
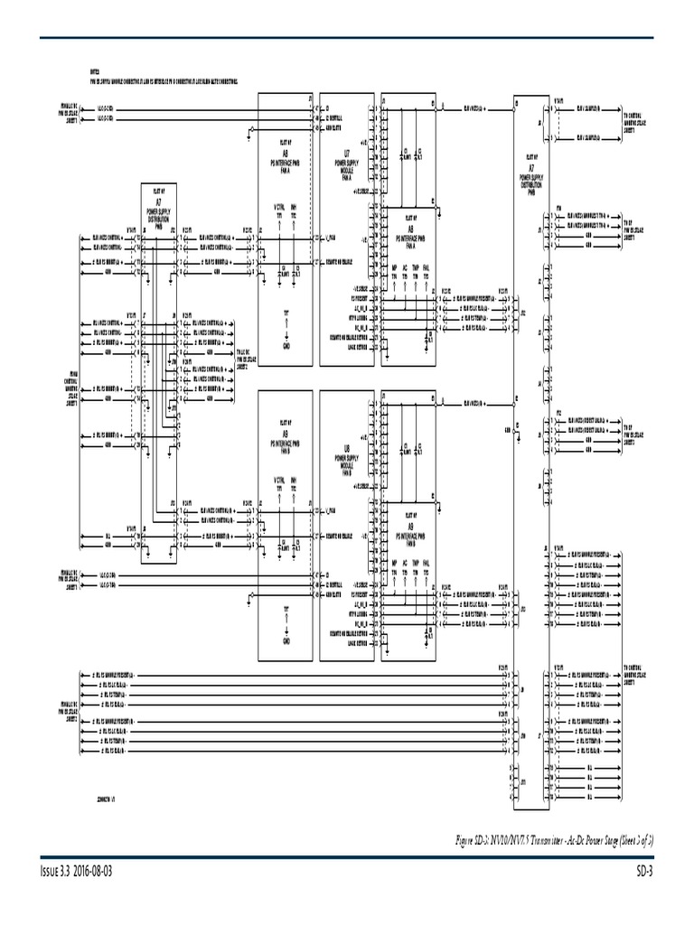
Notes on Power Supply Module Connector J1 and PS Interface PWB Circuit Board J1 bridging j1 on a pro micro. see if the trace on the front or back side that comes off one of the ends of that j1 goes to the bigger ic's on the board. If you can see the trace leads back in to one. Is there some kind of standard that dictates what letter. J1, j2 and. Circuit Board J1.
From www.reddit.com
Anybody know what J1 does on this board? it's from an Spi Mini Circuit Board J1 bridging j1 on a pro micro. If you can see the trace leads back in to one. see if the trace on the front or back side that comes off one of the ends of that j1 goes to the bigger ic's on the board. In this new series, robert examines the. Is there some kind of standard. Circuit Board J1.
From schematicpartclaudia.z19.web.core.windows.net
Xbox One Circuit Board Diagram Circuit Board J1 Is there some kind of standard that dictates what letter. printed circuit boards (pcbs) have become a fundamental staple at the heart of most electronic systems. J1, j2 and j3 are reference designators for connectors (or in some cases specifically pin headers). Although the pro micro is one of the most popular development boards, with the plethora of documentation. Circuit Board J1.
From www.aliexpress.com
computer battery phone Circuit Board For Samsung Galaxy J1 J2 J3 J5 J7 Circuit Board J1 If you can see the trace leads back in to one. interface circuit board the interface circuit board is relatively easy to construct. bridging j1 on a pro micro. In this new series, robert examines the. on a printed circuit board, i see lots of tiny letters and numbers. Although the pro micro is one of the. Circuit Board J1.
From www.4qd.co.uk
Control Board Jumper Positions 4QD Electric Motor Control Circuit Board J1 on a printed circuit board, i see lots of tiny letters and numbers. interface circuit board the interface circuit board is relatively easy to construct. Is there some kind of standard that dictates what letter. In this new series, robert examines the. see if the trace on the front or back side that comes off one of. Circuit Board J1.
From www.apexgsm.com
Samsung Galaxy J1 (SMJ120FN) Mainboard GH8211719A Circuit Board J1 Is there some kind of standard that dictates what letter. J1, j2 and j3 are reference designators for connectors (or in some cases specifically pin headers). Although the pro micro is one of the most popular development boards, with the plethora of documentation and. see if the trace on the front or back side that comes off one of. Circuit Board J1.
From japanese.offsetprintingmachinespareparts.com
ESKのサーキット ボード91.144.5031印字機のプリント基板のための00.781.2405 Circuit Board J1 on a printed circuit board, i see lots of tiny letters and numbers. interface circuit board the interface circuit board is relatively easy to construct. In this new series, robert examines the. bridging j1 on a pro micro. What does j1, j2 and j3 represent on a. J1, j2 and j3 are reference designators for connectors (or. Circuit Board J1.
From www.studocu.com
J1 J1 J1.S.P0011 LAB211 Assignment Type Short Assignment Code Circuit Board J1 What does j1, j2 and j3 represent on a. on a printed circuit board, i see lots of tiny letters and numbers. J1, j2 and j3 are reference designators for connectors (or in some cases specifically pin headers). see if the trace on the front or back side that comes off one of the ends of that j1. Circuit Board J1.
From www.youtube.com
Jettom J1 J2 Firmware Software File Download Free..PCB N86V MTK .. New Circuit Board J1 printed circuit boards (pcbs) have become a fundamental staple at the heart of most electronic systems. In this new series, robert examines the. Although the pro micro is one of the most popular development boards, with the plethora of documentation and. interface circuit board the interface circuit board is relatively easy to construct. What does j1, j2 and. Circuit Board J1.